2. 原理图设计¶
2.1. 引脚功能复用¶
2.1.1. D21x 功能复用¶
| 引脚 | 功能2 | 功能3 | 功能4 | 功能5 | 功能6 | 功能7 | 功能8 | 
|---|---|---|---|---|---|---|---|
| PA0 | GPADC0 | PSADC0 | I2C0_SCL | UART0_TX | AMIC_IN | IR_TX | |
| PA1 | GPADC1 | PSADC1 | I2C0_SDA | UART0_RX | AMIC_BIAS | IR_RX | |
| PA2 | GPADC2 | PSADC2 | UART0_RTS | ||||
| PA3 | GPADC3 | PSADC3 | UART0_CTS | ||||
| PA4 | GPADC4 | PSADC4 | UART1_TX | ||||
| PA5 | GPADC5 | PSADC5 | UART1_RX | ||||
| PA6 | GPADC6 | PSADC6 | I2C1_SCL | UART1_RTS | |||
| PA7 | GPADC7 | PSADC7 | I2C1_SDA | UART1_CTS | |||
| PA8 | RTP_XP | PSADC8 | I2C2_SCL | UART2_TX | JTAG_DO | ||
| PA9 | RTP_YP | PSADC9 | I2C2_SDA | UART2_RX | JTAG_DI | ||
| PA10 | RTP_XN | PSADC10 | I2C3_SCL | UART2_RTS | JTAG_MS | ||
| PA11 | RTP_YN | PSADC11 | I2C3_SDA | UART2_CTS | JTAG_CK | ||
| PB0 | SDC0_CMD | SPI0_HOLD | I2C1_SCL | UART7_TX | |||
| PB1 | SDC0_CLK | SPI0_WP | I2C1_SDA | UART7_RX | |||
| PB2 | SDC0_D3 | SPI0_CS | |||||
| PB3 | SDC0_D0 | SPI0_MISO | |||||
| PB4 | SDC0_D1 | SPI0_MOSI | |||||
| PB5 | SDC0_D2 | SPI0_CLK | |||||
| PB6 | SDC0_D4 | SPI1_HOLD | I2C2_SCL | UART4_TX | CLK_OUT2 | CLK_OUT3 | |
| PB7 | SDC0_D5 | SPI1_WP | I2C2_SDA | UART4_RX | |||
| PB8 | SDC0_D6 | SPI1_CS | UART4_RTS | UART5_TX | IR_RX | ||
| PB9 | SDC0_D7 | SPI1_MISO | UART6_RTS | UART5_RX | IR_TX | ||
| PB10 | SDC0_DS | SPI1_MOSI | UART6_TX | ||||
| PB11 | SDC0_RST | SPI1_CLK | UART6_RX | ||||
| PC0 | SDC1_D1 | LCD_D5 | SPI2_CLK | UART1_TX | JTAG_MS | PWM0_A | |
| PC1 | SDC1_D0 | LCD_D4 | SPI2_CS | UART1_RX | JTAG_DI | PWM0_B | |
| PC2 | SDC1_CLK | LCD_D3 | SPI2_MOSI | UART1_RTS | UART0_TX | PWM1_A | |
| PC3 | SDC1_CMD | LCD_D2 | SPI2_MISO | UART2_TX | JTAG_DO | PWM1_B | |
| PC4 | SDC1_D3 | LCD_D1 | UART2_RX | UART0_RX | PWM2_A | ||
| PC5 | SDC1_D2 | LCD_D0 | UART2_RTS | UART3_TX | JTAG_CK | PWM2_B | |
| PC6 | SDC1_DET | CLK_OUT0 | DE_TE | UART3_RX | PWM3_A | ||
| PC7 | UART3_RTS | PWM3_B | |||||
| PD0 | LCD_D0 | SPI2_CLK | PBUS_AD0 | PWM0_A | |||
| PD1 | LCD_D1 | SPI2_CS | PBUS_AD1 | PWM0_B | |||
| PD2 | LCD_D2 | SPI2_MOSI | DE_TE | PBUS_AD2 | PWM1_A | ||
| PD3 | LCD_D3 | SPI3_CLK | PBUS_AD3 | PWM1_B | |||
| PD4 | LCD_D4 | SPI3_CS | PBUS_AD4 | PWM2_A | |||
| PD5 | LCD_D5 | SPI3_MOSI | PBUS_AD5 | PWM2_B | |||
| PD6 | LCD_D6 | SPI3_MISO | I2C0_SCL | UART1_TX | PBUS_AD6 | ||
| PD7 | LCD_D7 | SPI2_MISO | I2C0_SDA | UART1_RX | PBUS_AD7 | ||
| PD8 | LCD_D8 | LVDS1_D0N | SPI1_HOLD | UART2_TX | PBUS_AD8 | EPWM0_A | |
| PD9 | LCD_D9 | LVDS1_D0P | SPI1_WP | UART2_RX | PBUS_AD9 | EPWM0_B | |
| PD10 | LCD_D10 | LVDS1_D1N | SPI1_CS | UART3_TX | PBUS_AD10 | EPWM1_A | |
| PD11 | LCD_D11 | LVDS1_D1P | SPI1_MISO | UART3_RX | PBUS_AD11 | EPWM1_B | |
| PD12 | LCD_D12 | LVDS1_D2N | SPI1_MOSI | UART4_TX | PBUS_AD12 | EPWM2_A | |
| PD13 | LCD_D13 | LVDS1_D2P | SPI1_CLK | UART4_RX | PBUS_AD13 | EPWM2_B | |
| PD14 | LCD_D14 | LVDS1_CKN | SPI3_CLK | CAP0 | PBUS_AD14 | QEP0_H0 | |
| PD15 | LCD_D15 | LVDS1_CKP | SPI3_CS | CAP1 | PBUS_AD15 | QEP0_H1 | |
| PD16 | LCD_D16 | LVDS1_D3N | SPI3_MOSI | CAP2 | PBUS_CLK | QEP0_H2 | |
| PD17 | LCD_D17 | LVDS1_D3P | SPI3_MISO | PBUS_NCS | QEP0_A | ||
| PD18 | LCD_D18 | LVDS0_D0N | DSI_D0N | I2C1_SCL | PBUS_NADV | QEP0_B | |
| PD19 | LCD_D19 | LVDS0_D0P | DSI_D0P | I2C1_SDA | PBUS_NWE | QEP0_I | |
| PD20 | LCD_D20 | LVDS0_D1N | DSI_D1N | UART7_TX | PBUS_NOE | QEP0_S | |
| PD21 | LCD_D21 | LVDS0_D1P | DSI_D1P | UART7_RX | CLK_OUT0 | ||
| PD22 | LCD_D22 | LVDS0_D2N | DSI_CKN | I2C3_SCL | UART6_TX | ||
| PD23 | LCD_D23 | LVDS0_D2P | DSI_CKP | I2C3_SDA | UART6_RX | ||
| PD24 | LCD_DCLK | LVDS0_CKN | DSI_D2N | UART5_TX | SPI1_CLK | ||
| PD25 | LCD_HS | LVDS0_CKP | DSI_D2P | UART5_RX | SPI1_CS | ||
| PD26 | LCD_VS | LVDS0_D3N | DSI_D3N | PWM3_A | SPI1_MOSI | ||
| PD27 | LCD_DE | LVDS0_D3P | DSI_D3P | PWM3_B | SPI1_MISO | RTC_32K | |
| PE0 | DVP_D0 | I2C0_SCL | GMAC0_RXD1 | EPWM3_A | PWM0_A | ||
| PE1 | DVP_D1 | I2C0_SDA | GMAC0_RXD0 | EPWM3_B | PWM0_B | ||
| PE2 | DVP_D2 | CAN0_TX | UART4_TX | GMAC0_RXCTL | EPWM4_A | PWM1_A | |
| PE3 | DVP_D3 | CAN0_RX | UART4_RX | GMAC0_CLKIN | EPWM4_B | PWM1_B | |
| PE4 | DVP_D4 | CAN1_TX | UART5_TX | GMAC0_TXD1 | EPWM5_A | PWM2_A | |
| PE5 | DVP_D5 | CAN1_RX | UART5_RX | GMAC0_TXD0 | EPWM5_B | PWM2_B | |
| PE6 | DSPK0 | DVP_D6 | UART5_RTS | UART6_TX | GMAC0_TXCK | QEP1_H0 | CAP0 | 
| PE7 | DSPK1 | DVP_D7 | UART7_RTS | UART6_RX | GMAC0_TXCTL | QEP1_H1 | CAP1 | 
| PE8 | I2S0_MCLK | DVP_CK | UART6_RTS | UART7_TX | GMAC0_MDC | QEP1_H2 | CAP2 | 
| PE9 | I2S0_BCLK | DVP_HS | UART6_CTS | UART7_RX | GMAC0_MDIO | QEP1_A | |
| PE10 | I2S0_LRCK | DVP_VS | DSPK0 | CLK_OUT2 | QEP1_B | ||
| PE11 | I2S0_DOUT | I2S0_DIN | DSPK1 | CLK_OUT1 | GMAC0_RXD3 | QEP1_I | |
| PE12 | I2S0_DIN | SPI3_CLK | DMIC_CLK | I2C2_SCL | GMAC0_RXD2 | QEP1_S | |
| PE13 | SPI3_CS | DMIC_D0 | I2C2_SDA | GMAC0_RXCK | CAP0 | ||
| PE14 | SPI3_MOSI | UART3_TX | GMAC0_TXD3 | CAP1 | |||
| PE15 | SPI3_MISO | UART3_RX | GMAC0_TXD2 | CAP2 | |||
| PE16 | SPI0_CLK | CAN0_TX | I2C3_SCL | GMAC0_TRIG | |||
| PE17 | SPI0_CS | CAN0_RX | I2C3_SDA | GMAC0_PPSO | |||
| PE18 | SPI0_MOSI | CAN1_TX | PWM3_A | GMAC1_TRIG | |||
| PE19 | SPI0_MISO | CAN1_RX | PWM3_B | GMAC1_PPSO | |||
| PF0 | SDC2_D1 | SPI2_CLK | UART5_TX | GMAC1_RXD1 | PBUS_AD0 | ||
| PF1 | SDC2_D0 | SPI2_CS | UART5_RX | GMAC1_RXD0 | PBUS_AD1 | ||
| PF2 | SDC2_CLK | SPI2_MOSI | UART5_RTS | GMAC1_RXCTL | PBUS_AD2 | ||
| PF3 | SDC2_CMD | SPI2_MISO | UART5_CTS | GMAC1_CLKIN | PBUS_AD3 | ||
| PF4 | SDC2_D3 | UART6_TX | GMAC1_TXD1 | PBUS_AD4 | |||
| PF5 | SDC2_D2 | UART6_RX | GMAC1_TXD0 | PBUS_AD5 | |||
| PF6 | UART7_TX | GMAC1_TXCK | PBUS_AD6 | ||||
| PF7 | UART7_RX | GMAC1_TXCTL | PBUS_AD7 | ||||
| PF8 | UART7_RTS | GMAC1_MDC | PBUS_AD8 | ||||
| PF9 | UART7_CTS | GMAC1_MDIO | PBUS_AD9 | ||||
| PF10 | I2S1_MCLK | I2S1_DIN | UART3_CTS | CLK_OUT3 | PBUS_AD10 | ||
| PF11 | I2S1_BCLK | PBUS_AD11 | UART3_TX | GMAC1_RXD3 | PBUS_CLK | ||
| PF12 | I2S1_LRCK | UART4_RTS | UART3_RX | GMAC1_RXD2 | PBUS_NCS | ||
| PF13 | I2S1_DOUT | I2S1_DIN | UART4_CTS | UART3_RTS | GMAC1_RXCK | PBUS_NADV | |
| PF14 | I2S1_DIN | DSPK0 | DMIC_D0 | UART4_TX | GMAC1_TXD3 | PBUS_NWE | |
| PF15 | DE_TE | DSPK1 | DMIC_CLK | UART4_RX | GMAC1_TXD2 | PBUS_NOE | |
| PU0 | USB0_DM | UART0_RX | UART1_RX | ||||
| PU1 | USB0_DP | UART0_TX | UART1_TX | ||||
| PU2 | USB1_DM | UART0_RX | UART2_RX | ||||
| PU3 | USB1_DP | UART0_TX | UART2_TX | 
2.1.2. D211BB/D211BC QFN88 封装引脚说明¶
| 引脚 | 定义 | 类型 | 功能 | 备注说明 | 
|---|---|---|---|---|
| RTC | ||||
| 1 | RTC_IO | OD | RTC唤醒 32K时钟输出 | OD输出,外部需上拉电阻,上拉电压不能超过5V | 
| 2 | RTC_VCOIN | POWER | - | 不考虑掉电保持可悬空,内部有二极管从3.3V取电 | 
| 3 | RTC_XO | OUTPUT | - | 接32.768kHz无源晶振,若不使用RTC功能可悬空 | 
| 4 | RTC_XI | INPUT | - | 接32.768kHz无源晶振,若不使用RTC功能可悬空 | 
| SYS | ||||
| 75 | RESETN | INPUT | 系统复位 | 内置约30Kohm上拉电阻和去抖滤波,不使用可 直接悬空,若外挂电容建议不超过4.7uF | 
| 76 | PLL_XO | OUTPUT | - | 接24MHz无源晶振 | 
| 77 | PLL_XI | INPUT | - | 接24MHz无源晶振 | 
| Power | ||||
| 58,80 | VCC33_IO0 | POWER | CPU IO电压 | 3.3V供电 | 
| 7,40 | VCC33_IO1 | POWER | CPU IO电压 | 3.3V供电 | 
| 81 | VCC30_ANA | POWER | 内置LDO输出 | 部模拟模块使用,外部接1uf旁路电容 | 
| 42 | LDO25 | POWER | 内置LDO输出 | 内部模块使用,外部接1uf旁路电容 | 
| 41 | LDO1x | POWER | 内置LDO输出 | 可配置,外部接1uf电容,若使用需做好芯片散热 | 
| 43,45,46 | VCC_DRAM | POWER | DRAM电压 | DDR2 1.8V供电;DDR3 1.5V供电 | 
| 20,44,53,73,74 | VDD11_SYS | POWER | CPU Core电压 | 1.2V供电@600Mhz,1.1V供电@504Mhz | 
| 89 | GND | POWER | - | GND铜皮全连接,需多加过孔散热 | 
| 引脚 | 功能1 | 功能2 | 功能3 | 功能4 | 功能5 | 功能6 | 功能7 | 功能8 | 
|---|---|---|---|---|---|---|---|---|
| GPIO A | ||||||||
| 82 | PA0 | GPADC0 | PSADC0 | I2C0_SCL | UART0_TX | AMIC_IN | IR_TX | |
| 83 | PA1 | GPADC1 | PSADC1 | I2C0_SDA | UART0_RX | AMIC_BIAS | IR_RX | |
| 84 | PA7 | GPADC7 | PSADC7 | I2C1_SDA | UART1_CTS | |||
| 85 | PA8 | RTP_XP | PSADC8 | I2C2_SCL | UART2_TX | JTAG_DO | ||
| 86 | PA9 | RTP_YP | PSADC9 | I2C2_SDA | UART2_RX | JTAG_DI | ||
| 87 | PA10 | RTP_XN | PSADC10 | I2C3_SCL | UART2_RTS | JTAG_MS | ||
| 88 | PA11 | RTP_YN | PSADC11 | I2C3_SDA | UART2_CTS | JTAG_CK | ||
| GPIO B | ||||||||
| 47 | PB0 | SDC0_CMD | SPI0_HOLD | I2C1_SCL | UART7_TX | |||
| 48 | PB1 | SDC0_CLK | SPI0_WP | I2C1_SDA | UART7_RX | |||
| 49 | PB2 | SDC0_D3 | SPI0_CS | |||||
| 50 | PB3 | SDC0_D0 | SPI0_MISO | |||||
| 51 | PB4 | SDC0_D1 | SPI0_MOSI | |||||
| 52 | PB5 | SDC0_D2 | SPI0_CLK | |||||
| GPIO C | ||||||||
| 33 | PC0 | SDC1_D1 | LCD_D5 | SPI2_CLK | UART1_TX | JTAG_MS | PWM0_A | |
| 34 | PC1 | SDC1_D0 | LCD_D4 | SPI2_CS | UART1_RX | JTAG_DI | PWM0_B | |
| 35 | PC2 | SDC1_CLK | LCD_D3 | SPI2_MOSI | UART1_RTS | UART0_TX | PWM1_A | |
| 36 | PC3 | SDC1_CMD | LCD_D2 | SPI2_MISO | UART2_TX | JTAG_DO | PWM1_B | |
| 37 | PC4 | SDC1_D3 | LCD_D1 | UART2_RX | UART0_RX | PWM2_A | ||
| 38 | PC5 | SDC1_D2 | LCD_D0 | UART2_RTS | UART3_TX | JTAG_CK | PWM2_B | |
| 39 | PC6 | SDC1_DET | CLK_OUT0 | DE_TE | UART3_RX | PWM3_A | ||
| GPIO D | ||||||||
| 32 | PD6 | LCD_D6 | SPI3_MISO | I2C0_SCL | UART1_TX | |||
| 31 | PD7 | LCD_D7 | SPI2_MISO | I2C0_SDA | UART1_RX | |||
| 30 | PD8 | LCD_D8 | LVDS1_D0N | SPI1_HOLD | UART2_TX | EPWM0_A | ||
| 29 | PD9 | LCD_D9 | LVDS1_D0P | SPI1_WP | UART2_RX | EPWM0_B | ||
| 28 | PD10 | LCD_D10 | LVDS1_D1N | SPI1_CS | UART3_TX | EPWM1_A | ||
| 27 | PD11 | LCD_D11 | LVDS1_D1P | SPI1_MISO | UART3_RX | EPWM1_B | ||
| 26 | PD12 | LCD_D12 | LVDS1_D2N | SPI1_MOSI | UART4_TX | EPWM2_A | ||
| 25 | PD13 | LCD_D13 | LVDS1_D2P | SPI1_CLK | UART4_RX | EPWM2_B | ||
| 24 | PD14 | LCD_D14 | LVDS1_CKN | SPI3_CLK | CAP0 | QEP0_H0 | ||
| 23 | PD15 | LCD_D15 | LVDS1_CKP | SPI3_CS | CAP1 | QEP0_H1 | ||
| 22 | PD16 | LCD_D16 | LVDS1_D3N | SPI3_MOSI | CAP2 | QEP0_H2 | ||
| 21 | PD17 | LCD_D17 | LVDS1_D3P | SPI3_MISO | QEP0_A | |||
| 19 | PD18 | LCD_D18 | LVDS0_D0N | DSI_D0N | I2C1_SCL | QEP0_B | ||
| 18 | PD19 | LCD_D19 | LVDS0_D0P | DSI_D0P | I2C1_SDA | QEP0_I | ||
| 17 | PD20 | LCD_D20 | LVDS0_D1N | DSI_D1N | UART7_TX | QEP0_S | ||
| 16 | PD21 | LCD_D21 | LVDS0_D1P | DSI_D1P | UART7_RX | CLK_OUT0 | ||
| 15 | PD22 | LCD_D22 | LVDS0_D2N | DSI_CKN | I2C3_SCL | UART6_TX | ||
| 14 | PD23 | LCD_D23 | LVDS0_D2P | DSI_CKP | I2C3_SDA | UART6_RX | ||
| 13 | PD24 | LCD_DCLK | LVDS0_CKN | DSI_D2N | UART5_TX | SPI1_CLK | ||
| 12 | PD25 | LCD_HS | LVDS0_CKP | DSI_D2P | UART5_RX | SPI1_CS | ||
| 11 | PD26 | LCD_VS | LVDS0_D3N | DSI_D3N | PWM3_A | SPI1_MOSI | ||
| 10 | PD27 | LCD_DE | LVDS0_D3P | DSI_D3P | PWM3_B | SPI1_MISO | RTC_32K | |
| GPIO E | ||||||||
| 54 | PE0 | DVP_D0 | I2C0_SCL | EMAC0_RXD1 | EPWM3_A | PWM0_A | ||
| 55 | PE1 | DVP_D1 | I2C0_SDA | EMAC0_RXD0 | EPWM3_B | PWM0_B | ||
| 56 | PE2 | DVP_D2 | CAN0_TX | UART4_TX | EMAC0_CRS_DV | EPWM4_A | PWM1_A | |
| 57 | PE3 | DVP_D3 | CAN0_RX | UART4_RX | EMAC0_REFCLK | EPWM4_B | PWM1_B | |
| 59 | PE4 | DVP_D4 | CAN1_TX | UART5_TX | EMAC0_TXD1 | EPWM5_A | PWM2_A | |
| 60 | PE5 | DVP_D5 | CAN1_RX | UART5_RX | EMAC0_TXD0 | EPWM5_B | PWM2_B | |
| 61 | PE6 | DSPK0 | DVP_D6 | UART5_RTS | UART6_TX | EMAC0_TXC | QEP1_H0 | CAP0 | 
| 62 | PE7 | DSPK1 | DVP_D7 | UART7_RTS | UART6_RX | EMAC0_TXEN | QEP1_H1 | CAP1 | 
| 63 | PE8 | I2S0_MCLK | DVP_CK | UART6_RTS | UART7_TX | EMAC0_MDC | QEP1_H2 | CAP2 | 
| 64 | PE9 | I2S0_BCLK | DVP_HS | UART6_CTS | UART7_RX | EMAC0_MDIO | QEP1_A | |
| 65 | PE10 | I2S0_LRCK | DVP_VS | DSPK0 | CLK_OUT2 | QEP1_B | ||
| 66 | PE11 | I2S0_DOUT | I2S0_DIN | DSPK1 | CLK_OUT1 | QEP1_I | ||
| 67 | PE14 | SPI3_MOSI | UART3_TX | CAP1 | ||||
| 68 | PE15 | SPI3_MISO | UART3_RX | CAP2 | ||||
| 69 | PE16 | SPI0_CLK | CAN0_TX | I2C3_SCL | ||||
| 70 | PE17 | SPI0_CS | CAN0_RX | I2C3_SDA | ||||
| 71 | PE18 | SPI0_MOSI | CAN1_TX | PWM3_A | ||||
| 72 | PE19 | SPI0_MISO | CAN1_RX | PWM3_B | ||||
| GPIO F | ||||||||
| 5 | PF0 | SDC2_D1 | SPI2_CLK | UART5_TX | ||||
| 6 | PF1 | SDC2_D0 | SPI2_CS | UART5_RX | ||||
| 8 | PF14 | I2S1_DIN | DSPK0 | DMIC_D0 | UART4_TX | |||
| 9 | PF15 | DE_TE | DSPK1 | DMIC_CLK | UART4_RX | |||
| USB | ||||||||
| 78 | PU0 | USB0_DM | UART0_RX | UART1_RX | ||||
| 79 | PU1 | USB0_DP | UART0_TX | UART1_TX | ||||
2.1.3. D211DB/D211DC QFN100 封装引脚说明¶
| 引脚 | 定义 | 类型 | 功能 | 备注说明 | 
|---|---|---|---|---|
| RTC | ||||
| 74 | RTC_IO | OD | RTC唤醒 32K时钟输出 | OD输出,外部需上拉电阻,上拉电压不能超过5V | 
| 75 | RTC_VCOIN | POWER | - | 不考虑掉电保持可悬空,内部有二极管从3.3V取电 | 
| 76 | RTC_XO | OUTPUT | - | 接32.768kHz无源晶振,若不使用RTC功能可悬空 | 
| 77 | RTC_XI | INPUT | - | 接32.768kHz无源晶振,若不使用RTC功能可悬空 | 
| SYS | ||||
| 58 | RESETN | INPUT | 系统复位 | 内置约30Kohm上拉电阻和去抖滤波,不使用可 直接悬空,若外挂电容建议不超过4.7uF | 
| 59 | PLL_XO | OUTPUT | - | 接24MHz无源晶振 | 
| 60 | PLL_XI | INPUT | - | 接24MHz无源晶振 | 
| Power | ||||
| 41,65 | VCC33_IO0 | POWER | CPU IO电压 | 3.3V供电 | 
| 21,88 | VCC33_IO1 | POWER | CPU IO电压 | 3.3V供电 | 
| 66 | VCC30_ANA | POWER | 内置LDO输出 | 部模拟模块使用,外部接1uf旁路电容 | 
| 23 | LDO25 | POWER | 内置LDO输出 | 内部模块使用,外部接1uf旁路电容 | 
| 22 | LDO1x | POWER | 内置LDO输出 | 可配置,外部接1uf电容,若使用需做好芯片散热 | 
| 24,26,27,29 | VCC_DRAM | POWER | DRAM电压 | DDR2 1.8V供电;DDR3 1.5V供电 | 
| 1,25,28,36,56,57 | VDD11_SYS | POWER | CPU Core电压 | 1.2V供电@600Mhz,1.1V供电@504Mhz | 
| 101 | GND | POWER | - | GND铜皮全连接,需多加过孔散热 | 
| 引脚 | 功能1 | 功能2 | 功能3 | 功能4 | 功能5 | 功能6 | 功能7 | 功能8 | 
|---|---|---|---|---|---|---|---|---|
| GPIO A | ||||||||
| 67 | PA0 | GPADC0 | PSADC0 | I2C0_SCL | UART0_TX | AMIC_IN | IR_TX | |
| 68 | PA1 | GPADC1 | PSADC1 | I2C0_SDA | UART0_RX | AMIC_BIAS | IR_RX | |
| 69 | PA7 | GPADC7 | PSADC7 | I2C1_SDA | UART1_CTS | |||
| 70 | PA8 | RTP_XP | PSADC8 | I2C2_SCL | UART2_TX | JTAG_DO | ||
| 71 | PA9 | RTP_YP | PSADC9 | I2C2_SDA | UART2_RX | JTAG_DI | ||
| 72 | PA10 | RTP_XN | PSADC10 | I2C3_SCL | UART2_RTS | JTAG_MS | ||
| 73 | PA11 | RTP_YN | PSADC11 | I2C3_SDA | UART2_CTS | JTAG_CK | ||
| GPIO B | ||||||||
| 30 | PB0 | SDC0_CMD | SPI0_HOLD | I2C1_SCL | UART7_TX | |||
| 31 | PB1 | SDC0_CLK | SPI0_WP | I2C1_SDA | UART7_RX | |||
| 32 | PB2 | SDC0_D3 | SPI0_CS | |||||
| 33 | PB3 | SDC0_D0 | SPI0_MISO | |||||
| 34 | PB4 | SDC0_D1 | SPI0_MOSI | |||||
| 35 | PB5 | SDC0_D2 | SPI0_CLK | |||||
| GPIO C | ||||||||
| 14 | PC0 | SDC1_D1 | LCD_D5 | SPI2_CLK | UART1_TX | JTAG_MS | PWM0_A | |
| 15 | PC1 | SDC1_D0 | LCD_D4 | SPI2_CS | UART1_RX | JTAG_DI | PWM0_B | |
| 16 | PC2 | SDC1_CLK | LCD_D3 | SPI2_MOSI | UART1_RTS | UART0_TX | PWM1_A | |
| 17 | PC3 | SDC1_CMD | LCD_D2 | SPI2_MISO | UART2_TX | JTAG_DO | PWM1_B | |
| 18 | PC4 | SDC1_D3 | LCD_D1 | UART2_RX | UART0_RX | PWM2_A | ||
| 19 | PC5 | SDC1_D2 | LCD_D0 | UART2_RTS | UART3_TX | JTAG_CK | PWM2_B | |
| 20 | PC6 | SDC1_DET | CLK_OUT0 | DE_TE | UART3_RX | PWM3_A | ||
| GPIO D | ||||||||
| 13 | PD6 | LCD_D6 | SPI3_MISO | I2C0_SCL | UART1_TX | PBUS_AD6 | ||
| 12 | PD7 | LCD_D7 | SPI2_MISO | I2C0_SDA | UART1_RX | PBUS_AD7 | ||
| 11 | PD8 | LCD_D8 | LVDS1_D0N | SPI1_HOLD | UART2_TX | PBUS_AD8 | EPWM0_A | |
| 10 | PD9 | LCD_D9 | LVDS1_D0P | SPI1_WP | UART2_RX | PBUS_AD9 | EPWM0_B | |
| 9 | PD10 | LCD_D10 | LVDS1_D1N | SPI1_CS | UART3_TX | PBUS_AD10 | EPWM1_A | |
| 8 | PD11 | LCD_D11 | LVDS1_D1P | SPI1_MISO | UART3_RX | PBUS_AD11 | EPWM1_B | |
| 7 | PD12 | LCD_D12 | LVDS1_D2N | SPI1_MOSI | UART4_TX | PBUS_AD12 | EPWM2_A | |
| 6 | PD13 | LCD_D13 | LVDS1_D2P | SPI1_CLK | UART4_RX | PBUS_AD13 | EPWM2_B | |
| 5 | PD14 | LCD_D14 | LVDS1_CKN | SPI3_CLK | CAP0 | PBUS_AD14 | QEP0_H0 | |
| 4 | PD15 | LCD_D15 | LVDS1_CKP | SPI3_CS | CAP1 | PBUS_AD15 | QEP0_H1 | |
| 3 | PD16 | LCD_D16 | LVDS1_D3N | SPI3_MOSI | CAP2 | PBUS_CLK | QEP0_H2 | |
| 2 | PD17 | LCD_D17 | LVDS1_D3P | SPI3_MISO | PBUS_NCS | QEP0_A | ||
| 100 | PD18 | LCD_D18 | LVDS0_D0N | DSI_D0N | I2C1_SCL | PBUS_NADV | QEP0_B | |
| 99 | PD19 | LCD_D19 | LVDS0_D0P | DSI_D0P | I2C1_SDA | PBUS_NWE | QEP0_I | |
| 98 | PD20 | LCD_D20 | LVDS0_D1N | DSI_D1N | UART7_TX | PBUS_NOE | QEP0_S | |
| 97 | PD21 | LCD_D21 | LVDS0_D1P | DSI_D1P | UART7_RX | CLK_OUT0 | ||
| 96 | PD22 | LCD_D22 | LVDS0_D2N | DSI_CKN | I2C3_SCL | UART6_TX | ||
| 95 | PD23 | LCD_D23 | LVDS0_D2P | DSI_CKP | I2C3_SDA | UART6_RX | ||
| 94 | PD24 | LCD_DCLK | LVDS0_CKN | DSI_D2N | UART5_TX | SPI1_CLK | ||
| 93 | PD25 | LCD_HS | LVDS0_CKP | DSI_D2P | UART5_RX | SPI1_CS | ||
| 92 | PD26 | LCD_VS | LVDS0_D3N | DSI_D3N | PWM3_A | SPI1_MOSI | ||
| 91 | PD27 | LCD_DE | LVDS0_D3P | DSI_D3P | PWM3_B | SPI1_MISO | RTC_32K | |
| GPIO E | ||||||||
| 37 | PE0 | DVP_D0 | I2C0_SCL | EMAC0_RXD1 | EPWM3_A | PWM0_A | ||
| 38 | PE1 | DVP_D1 | I2C0_SDA | EMAC0_RXD0 | EPWM3_B | PWM0_B | ||
| 39 | PE2 | DVP_D2 | CAN0_TX | UART4_TX | EMAC0_CRS_DV | EPWM4_A | PWM1_A | |
| 40 | PE3 | DVP_D3 | CAN0_RX | UART4_RX | EMAC0_REFCLK | EPWM4_B | PWM1_B | |
| 42 | PE4 | DVP_D4 | CAN1_TX | UART5_TX | EMAC0_TXD1 | EPWM5_A | PWM2_A | |
| 43 | PE5 | DVP_D5 | CAN1_RX | UART5_RX | EMAC0_TXD0 | EPWM5_B | PWM2_B | |
| 44 | PE6 | DSPK0 | DVP_D6 | UART5_RTS | UART6_TX | EMAC0_TXC | QEP1_H0 | CAP0 | 
| 45 | PE7 | DSPK1 | DVP_D7 | UART7_RTS | UART6_RX | EMAC0_TXEN | QEP1_H1 | CAP1 | 
| 46 | PE8 | I2S0_MCLK | DVP_CK | UART6_RTS | UART7_TX | EMAC0_MDC | QEP1_H2 | CAP2 | 
| 47 | PE9 | I2S0_BCLK | DVP_HS | UART6_CTS | UART7_RX | EMAC0_MDIO | QEP1_A | |
| 48 | PE10 | I2S0_LRCK | DVP_VS | DSPK0 | CLK_OUT2 | QEP1_B | ||
| 49 | PE11 | I2S0_DOUT | I2S0_DIN | DSPK1 | CLK_OUT1 | QEP1_I | ||
| 50 | PE14 | SPI3_MOSI | UART3_TX | CAP1 | ||||
| 51 | PE15 | SPI3_MISO | UART3_RX | CAP2 | ||||
| 52 | PE16 | SPI0_CLK | CAN0_TX | I2C3_SCL | ||||
| 53 | PE17 | SPI0_CS | CAN0_RX | I2C3_SDA | ||||
| 54 | PE18 | SPI0_MOSI | CAN1_TX | PWM3_A | ||||
| 55 | PE19 | SPI0_MISO | CAN1_RX | PWM3_B | ||||
| GPIO F | ||||||||
| 78 | PF0 | SDC2_D1 | SPI2_CLK | UART5_TX | EMAC1_RXD1 | PBUS_AD0 | ||
| 79 | PF1 | SDC2_D0 | SPI2_CS | UART5_RX | EMAC1_RXD0 | PBUS_AD1 | ||
| 80 | PF2 | SDC2_CLK | SPI2_MOSI | UART5_RTS | EMAC1_CRS_DV | PBUS_AD2 | ||
| 81 | PF3 | SDC2_CMD | SPI2_MISO | UART5_CTS | EMAC1_REFCLK | PBUS_AD3 | ||
| 82 | PF4 | SDC2_D3 | UART6_TX | EMAC1_TXD1 | PBUS_AD4 | |||
| 83 | PF5 | SDC2_D2 | UART6_RX | EMAC1_TXD0 | PBUS_AD5 | |||
| 84 | PF6 | UART7_TX | EMAC1_TXC | PBUS_AD6 | ||||
| 85 | PF7 | UART7_RX | EMAC1_TXEN | PBUS_AD7 | ||||
| 86 | PF8 | UART7_RTS | EMAC1_MDC | PBUS_AD8 | ||||
| 87 | PF9 | UART7_CTS | EMAC1_MDIO | PBUS_AD9 | ||||
| 89 | PF14 | I2S1_DIN | DSPK0 | DMIC_D0 | UART4_TX | PBUS_NWE | ||
| 90 | PF15 | DE_TE | DSPK1 | DMIC_CLK | UART4_RX | PBUS_NOE | ||
| USB | ||||||||
| 61 | PU0 | USB0_DM | UART0_RX | UART1_RX | ||||
| 62 | PU1 | USB0_DP | UART0_TX | UART1_TX | ||||
| 63 | PU2 | USB1_DM | UART0_RX | UART2_RX | ||||
| 64 | PU3 | USB1_DP | UART0_TX | UART2_TX | ||||
2.1.4. D213EC QFN128 封装引脚说明¶
| 引脚 | 定义 | 类型 | 功能 | 备注说明 | 
|---|---|---|---|---|
| RTC | ||||
| 97 | RTC_IO | OD | RTC唤醒 32K时钟输出 | OD输出,外部需上拉电阻,上拉电压不能超过5V | 
| 98 | RTC_VCOIN | POWER | - | 不考虑掉电保持可悬空,内部有二极管从3.3V取电 | 
| 99 | RTC_XO | OUTPUT | - | 接32.768kHz无源晶振,若不使用RTC功能可悬空 | 
| 100 | RTC_XI | INPUT | - | 接32.768kHz无源晶振,若不使用RTC功能可悬空 | 
| SYS | ||||
| 76 | RESETN | INPUT | 系统复位 | 内置约30Kohm上拉电阻和去抖滤波,不使用可 直接悬空,若外挂电容建议不超过4.7uF | 
| 77 | PLL_XO | OUTPUT | - | 接24MHz无源晶振 | 
| 78 | PLL_XI | INPUT | - | 接24MHz无源晶振 | 
| Power | ||||
| 41,57,83 | VCC33_IO0 | POWER | CPU IO电压 | 3.3V供电 | 
| 27,114 | VCC33_IO1 | POWER | CPU IO电压 | 3.3V供电 | 
| 84 | VCC30_ANA | POWER | 内置LDO输出 | 部模拟模块使用,外部接1uf旁路电容 | 
| 29 | LDO25 | POWER | 内置LDO输出 | 内部模块使用,外部接1uf旁路电容 | 
| 28 | LDO1x | POWER | 内置LDO输出 | 可配置,外部接1uf电容,若使用需做好芯片散热 | 
| 30,32,33,35,36 | VCC_DRAM | POWER | DRAM电压 | DDR2 1.8V供电;DDR3 1.5V供电 | 
| 31,34,44,74,75,128 | VDD11_SYS | POWER | CPU Core电压 | 1.2V供电@600Mhz,1.1V供电@504Mhz | 
| 129 | GND | POWER | - | GND铜皮全连接,需多加过孔散热 | 
| 50,56 | NC | - | - | 浮空,不能接任何信号 | 
| 引脚 | 功能1 | 功能2 | 功能3 | 功能4 | 功能5 | 功能6 | 功能7 | 功能8 | 
|---|---|---|---|---|---|---|---|---|
| GPIO A | ||||||||
| 85 | PA0 | GPADC0 | PSADC0 | I2C0_SCL | UART0_TX | AMIC_IN | IR_TX | |
| 86 | PA1 | GPADC1 | PSADC1 | I2C0_SDA | UART0_RX | AMIC_BIAS | IR_RX | |
| 87 | PA2 | GPADC2 | PSADC2 | UART0_RTS | ||||
| 88 | PA3 | GPADC3 | PSADC3 | UART0_CTS | ||||
| 89 | PA4 | GPADC4 | PSADC4 | UART1_TX | ||||
| 90 | PA5 | GPADC5 | PSADC5 | UART1_RX | ||||
| 91 | PA6 | GPADC6 | PSADC6 | I2C1_SCL | UART1_RTS | |||
| 92 | PA7 | GPADC7 | PSADC7 | I2C1_SDA | UART1_CTS | |||
| 93 | PA8 | RTP_XP | PSADC8 | I2C2_SCL | UART2_TX | JTAG_DO | ||
| 94 | PA9 | RTP_YP | PSADC9 | I2C2_SDA | UART2_RX | JTAG_DI | ||
| 95 | PA10 | RTP_XN | PSADC10 | I2C3_SCL | UART2_RTS | JTAG_MS | ||
| 96 | PA11 | RTP_YN | PSADC11 | I2C3_SDA | UART2_CTS | JTAG_CK | ||
| GPIO B | ||||||||
| 37 | PB0 | SDC0_CMD | SPI0_HOLD | I2C1_SCL | UART7_TX | |||
| 38 | PB1 | SDC0_CLK | SPI0_WP | I2C1_SDA | UART7_RX | |||
| 39 | PB2 | SDC0_D3 | SPI0_CS | |||||
| 40 | PB3 | SDC0_D0 | SPI0_MISO | |||||
| 42 | PB4 | SDC0_D1 | SPI0_MOSI | |||||
| 43 | PB5 | SDC0_D2 | SPI0_CLK | |||||
| 45 | PB6 | SDC0_D4 | SPI1_HOLD | I2C2_SCL | UART4_TX | CLK_OUT2 | ||
| 46 | PB7 | SDC0_D5 | SPI1_WP | I2C2_SDA | UART4_RX | |||
| 47 | PB8 | SDC0_D6 | SPI1_CS | UART4_RTS | UART5_TX | IR_RX | ||
| 48 | PB9 | SDC0_D7 | SPI1_MISO | UART6_RTS | UART5_RX | IR_TX | ||
| 49 | PB10 | SDC0_DS | SPI1_MOSI | UART6_TX | ||||
| 51 | PB11 | SDC0_RST | SPI1_CLK | UART6_RX | ||||
| GPIO C | ||||||||
| 19 | PC0 | SDC1_D1 | LCD_D5 | SPI2_CLK | UART1_TX | JTAG_MS | PWM0_A | |
| 20 | PC1 | SDC1_D0 | LCD_D4 | SPI2_CS | UART1_RX | JTAG_DI | PWM0_B | |
| 21 | PC2 | SDC1_CLK | LCD_D3 | SPI2_MOSI | UART1_RTS | UART0_TX | PWM1_A | |
| 22 | PC3 | SDC1_CMD | LCD_D2 | SPI2_MISO | UART2_TX | JTAG_DO | PWM1_B | |
| 23 | PC4 | SDC1_D3 | LCD_D1 | UART2_RX | UART0_RX | PWM2_A | ||
| 24 | PC5 | SDC1_D2 | LCD_D0 | UART2_RTS | UART3_TX | JTAG_CK | PWM2_B | |
| 25 | PC6 | SDC1_DET | CLK_OUT0 | DE_TE | UART3_RX | PWM3_A | ||
| 26 | PC7 | UART3_RTS | PWM3_B | |||||
| GPIO D | ||||||||
| 18 | PD0 | LCD_D0 | SPI2_CLK | PBUS_AD0 | PWM0_A | |||
| 17 | PD1 | LCD_D1 | SPI2_CS | PBUS_AD1 | PWM0_B | |||
| 16 | PD2 | LCD_D2 | SPI2_MOSI | DE_TE | PBUS_AD2 | PWM1_A | ||
| 15 | PD3 | LCD_D3 | SPI3_CLK | PBUS_AD3 | PWM1_B | |||
| 14 | PD4 | LCD_D4 | SPI3_CS | PBUS_AD4 | PWM2_A | |||
| 13 | PD5 | LCD_D5 | SPI3_MOSI | PBUS_AD5 | PWM2_B | |||
| 12 | PD6 | LCD_D6 | SPI3_MISO | I2C0_SCL | UART1_TX | PBUS_AD6 | ||
| 11 | PD7 | LCD_D7 | SPI2_MISO | I2C0_SDA | UART1_RX | PBUS_AD7 | ||
| 10 | PD8 | LCD_D8 | LVDS1_D0N | SPI1_HOLD | UART2_TX | PBUS_AD8 | EPWM0_A | |
| 9 | PD9 | LCD_D9 | LVDS1_D0P | SPI1_WP | UART2_RX | PBUS_AD9 | EPWM0_B | |
| 8 | PD10 | LCD_D10 | LVDS1_D1N | SPI1_CS | UART3_TX | PBUS_AD10 | EPWM1_A | |
| 7 | PD11 | LCD_D11 | LVDS1_D1P | SPI1_MISO | UART3_RX | PBUS_AD11 | EPWM1_B | |
| 6 | PD12 | LCD_D12 | LVDS1_D2N | SPI1_MOSI | UART4_TX | PBUS_AD12 | EPWM2_A | |
| 5 | PD13 | LCD_D13 | LVDS1_D2P | SPI1_CLK | UART4_RX | PBUS_AD13 | EPWM2_B | |
| 4 | PD14 | LCD_D14 | LVDS1_CKN | SPI3_CLK | CAP0 | PBUS_AD14 | QEP0_H0 | |
| 3 | PD15 | LCD_D15 | LVDS1_CKP | SPI3_CS | CAP1 | PBUS_AD15 | QEP0_H1 | |
| 2 | PD16 | LCD_D16 | LVDS1_D3N | SPI3_MOSI | CAP2 | PBUS_CLK | QEP0_H2 | |
| 1 | PD17 | LCD_D17 | LVDS1_D3P | SPI3_MISO | PBUS_NCS | QEP0_A | ||
| 127 | PD18 | LCD_D18 | LVDS0_D0N | DSI_D0N | I2C1_SCL | PBUS_NADV | QEP0_B | |
| 126 | PD19 | LCD_D19 | LVDS0_D0P | DSI_D0P | I2C1_SDA | PBUS_NWE | QEP0_I | |
| 125 | PD20 | LCD_D20 | LVDS0_D1N | DSI_D1N | UART7_TX | PBUS_NOE | QEP0_S | |
| 124 | PD21 | LCD_D21 | LVDS0_D1P | DSI_D1P | UART7_RX | CLK_OUT0 | ||
| 123 | PD22 | LCD_D22 | LVDS0_D2N | DSI_CKN | I2C3_SCL | UART6_TX | ||
| 122 | PD23 | LCD_D23 | LVDS0_D2P | DSI_CKP | I2C3_SDA | UART6_RX | ||
| 121 | PD24 | LCD_DCLK | LVDS0_CKN | DSI_D2N | UART5_TX | SPI1_CLK | ||
| 120 | PD25 | LCD_HS | LVDS0_CKP | DSI_D2P | UART5_RX | SPI1_CS | ||
| 119 | PD26 | LCD_VS | LVDS0_D3N | DSI_D3N | PWM3_A | SPI1_MOSI | ||
| 118 | PD27 | LCD_DE | LVDS0_D3P | DSI_D3P | PWM3_B | SPI1_MISO | RTC_32K | |
| GPIO E | ||||||||
| 52 | PE0 | DVP_D0 | I2C0_SCL | GMAC0_RXD1 | EPWM3_A | PWM0_A | ||
| 53 | PE1 | DVP_D1 | I2C0_SDA | GMAC0_RXD0 | EPWM3_B | PWM0_B | ||
| 54 | PE2 | DVP_D2 | CAN0_TX | UART4_TX | GMAC0_RXCTL | EPWM4_A | PWM1_A | |
| 55 | PE3 | DVP_D3 | CAN0_RX | UART4_RX | GMAC0_CLKIN | EPWM4_B | PWM1_B | |
| 58 | PE4 | DVP_D4 | CAN1_TX | UART5_TX | GMAC0_TXD1 | EPWM5_A | PWM2_A | |
| 59 | PE5 | DVP_D5 | CAN1_RX | UART5_RX | GMAC0_TXD0 | EPWM5_B | PWM2_B | |
| 60 | PE6 | DSPK0 | DVP_D6 | UART5_RTS | UART6_TX | GMAC0_TXCK | QEP1_H0 | CAP0 | 
| 61 | PE7 | DSPK1 | DVP_D7 | UART7_RTS | UART6_RX | GMAC0_TXCTL | QEP1_H1 | CAP1 | 
| 62 | PE8 | I2S0_MCLK | DVP_CK | UART6_RTS | UART7_TX | GMAC0_MDC | QEP1_H2 | CAP2 | 
| 63 | PE9 | I2S0_BCLK | DVP_HS | UART6_CTS | UART7_RX | GMAC0_MDIO | QEP1_A | |
| 64 | PE10 | I2S0_LRCK | DVP_VS | DSPK0 | CLK_OUT2 | QEP1_B | ||
| 65 | PE11 | I2S0_DOUT | I2S0_DIN | DSPK1 | CLK_OUT1 | GMAC0_RXD3 | QEP1_I | |
| 66 | PE12 | I2S0_DIN | SPI3_CLK | DMIC_CLK | I2C2_SCL | GMAC0_RXD2 | QEP1_S | |
| 67 | PE13 | SPI3_CS | DMIC_D0 | I2C2_SDA | GMAC0_RXCK | CAP0 | ||
| 68 | PE14 | SPI3_MOSI | UART3_TX | GMAC0_TXD3 | CAP1 | |||
| 69 | PE15 | SPI3_MISO | UART3_RX | GMAC0_TXD2 | CAP2 | |||
| 70 | PE16 | SPI0_CLK | CAN0_TX | I2C3_SCL | GMAC0_TRIG | |||
| 71 | PE17 | SPI0_CS | CAN0_RX | I2C3_SDA | GMAC0_PPSO | |||
| 72 | PE18 | SPI0_MOSI | CAN1_TX | PWM3_A | GMAC1_TRIG | |||
| 73 | PE19 | SPI0_MISO | CAN1_RX | PWM3_B | GMAC1_PPSO | |||
| GPIO F | ||||||||
| 101 | PF0 | SDC2_D1 | SPI2_CLK | UART5_TX | GMAC1_RXD1 | PBUS_AD0 | ||
| 102 | PF1 | SDC2_D0 | SPI2_CS | UART5_RX | GMAC1_RXD0 | PBUS_AD1 | ||
| 103 | PF2 | SDC2_CLK | SPI2_MOSI | UART5_RTS | GMAC1_RXCTL | PBUS_AD2 | ||
| 104 | PF3 | SDC2_CMD | SPI2_MISO | UART5_CTS | GMAC1_CLKIN | PBUS_AD3 | ||
| 105 | PF4 | SDC2_D3 | UART6_TX | GMAC1_TXD1 | PBUS_AD4 | |||
| 106 | PF5 | SDC2_D2 | UART6_RX | GMAC1_TXD0 | PBUS_AD5 | |||
| 107 | PF6 | UART7_TX | GMAC1_TXCK | PBUS_AD6 | ||||
| 108 | PF7 | UART7_RX | GMAC1_TXCTL | PBUS_AD7 | ||||
| 109 | PF8 | UART7_RTS | GMAC1_MDC | PBUS_AD8 | ||||
| 110 | PF9 | UART7_CTS | GMAC1_MDIO | PBUS_AD9 | ||||
| 111 | PF10 | I2S1_MCLK | I2S1_DIN | UART3_CTS | CLK_OUT3 | PBUS_AD10 | ||
| 112 | PF11 | I2S1_BCLK | PBUS_AD11 | UART3_TX | GMAC1_RXD3 | PBUS_CLK | ||
| 113 | PF12 | I2S1_LRCK | UART4_RTS | UART3_RX | GMAC1_RXD2 | PBUS_NCS | ||
| 115 | PF13 | I2S1_DOUT | I2S1_DIN | UART4_CTS | UART3_RTS | GMAC1_RXCK | PBUS_NADV | |
| 116 | PF14 | I2S1_DIN | DSPK0 | DMIC_D0 | UART4_TX | GMAC1_TXD3 | PBUS_NWE | |
| 117 | PF15 | DE_TE | DSPK1 | DMIC_CLK | UART4_RX | GMAC1_TXD2 | PBUS_NOE | |
| USB | ||||||||
| 79 | PU0 | USB0_DM | UART0_RX | UART1_RX | ||||
| 80 | PU1 | USB0_DP | UART0_TX | UART1_TX | ||||
| 81 | PU2 | USB1_DM | UART0_RX | UART2_RX | ||||
| 82 | PU3 | USB1_DP | UART0_TX | UART2_TX | ||||
2.2. 时钟和电源¶
2.2.1. POWER¶
- 电源系统 - 芯片需提供 VDD11_SYS(CPU CORE 电源:1.2V/200mA CPU 600Mhz,1.1V/200mA CPU 504Mhz)。 
   - 图 2.1 CPU CORE 电源 VDD11_SYS原理图¶ - 芯片需提供 VCC33_IO(CPU IO 电源:典型3.3V/100mA)。 
   - 图 2.2 CPU IO 电源 VCC33_IO原理图¶ - 芯片需提供 VCC_DRAM(DDR 电源:1.8V/150mA DDR2,1.5V/150mA DDR3)。 
   - 图 2.3 CPU DRAM 电源VCC_DRAM原理图¶ - 内置LDO1X_OUT,可配置输出1.8V/1.5V,外部接1uF电容,若使用内置LDO,存在转换效率和发热问题,Layout需做好散热。 
- LDO25_OUT、VCC30_ANA供内部模块使用,外部接1uf旁路电容即可。 
   - 图 2.4 Power 电路去耦电容¶ 
- 上下电时序要求 - VDD11_SYS、VCC33_IO、VCC_DRAM无上下电时序要求。 
- 复位信号内置约30Kohm上拉电阻和去抖滤波,不使用可直接悬空,若外挂电容建议不超过4.7uF。上电完成后,复位自动释放,并且24MHz晶振起振。 
 
2.2.2. SYS¶
- 系统功能脚说明 
| 信号名 | 信号说明 | 应用说明 | 
|---|---|---|
| UBOOT | 升级模式配置 | 可在UBOOT或bootloader配置任意IO为下拉检测或上拉检测进入 升级模式,默认使用PA0下降沿检测,建议预留按键或跳线 | 
| RESETN | CPU复位脚 | 内部RC上拉,低电平复位,可悬空,建议预留按键或跳线 | 
2.3. 存储¶
2.3.1. DRAM¶
- 芯片内部 Sip 16-bit DRAM,DDR3 1Gb 最高频率 672MHz 或 DDR2 512Mb 最高频率 504MHz。 - D211BBV/D211DBV Sip DDR2 需要1.8V供电。 
- D211BCV/D211DCV/D213ECV Sip DDR3 需要1.5V供电。 
- LDO25_OUT为芯片内部LDO(2.5V 50mA)输出,为DRAM模拟部分供电。 
 
2.3.2. FLASH¶
- SPI0/1 为QSPI控制器,最大支持四线数据传输,用于Flash类型设备的快速读写访问。 - 默认使用SPI0为启动接口,烧eFuse可选配SPI1为启动接口。 
- QSPI 支持 NAND Flash / NOR Flash,支持单/双/四线模式。 
- IO最大速率 SDR 100MHz,仅支持3.3V IO电压,Flash容量不限制。 
 
注意
- SPI_CS、SPI_WP、SPI_HOLD必需保留上拉电阻。 
- QSPI 信号必需做等长约束,约束不大于20mil,否则跑4线模式容易出现速度跑不高的情况。 
 
图 2.7 SPI0 NAND Flash电路原理图¶
 
图 2.8 SPI0 NOR Flash电路原理图¶
2.3.3. eMMC¶
- 使用SDC0接口,支持单线/四线模式,支持eMMC 4.41协议,支持SDR25/SDR50/DDR50模式。 - IO最大速率 DDR 50MHz,仅支持3.3V IO电压。 
- D0、CMD和RST信号建议上拉到VCC33_IO。 
 
注意
- SDC0_D0~SDC0_D3、SDC0_CLK、SDC0_CMD信号走线做等长约束,约束不大于50mil。 
- CLK信号不需上拉,最好在靠近主控端串联22欧电阻,若并联容值不超过22pF。 
 
图 2.9 SDC0 eMMC电路原理图¶
2.3.4. CARD¶
- 使用SDC1接口,支持单线/四线模式。 - IO最大速率 DDR 50MHz,仅支持3.3V IO电压。 
- CLK信号不需上拉,最好在靠近主控端串联22欧电阻,若并联容值不超过22pF。 
- D0、CMD和DET信号建议上拉到VCC33_IO。 
- SD接口信号线TVS管结电容 < 22pF,否则影响信号传输质量。 
- 建议保留DET信号线上的1k串联电阻,避免在插入SD CARD时产生信号下冲,同时提高GPIO ESD性能。 
 
注意
- SDC1_D0~SDC1_D3、SDC1_CLK、SDC1_CMD信号走线做等长约束,约束不大于50mil。 
- CLK信号不需上拉,最好在靠近主控端串联22欧电阻,若并联容值不超过22pF。 
 
图 2.10 SDC1 CARD电路原理图¶
2.4. 多媒体¶
2.4.1. PRGB¶
- PRGB模式兼容5种MAPPING输出配置,默认为24bits,可配置为18bits、16bits,相应的低位不使用。 - 配置0:RGB888建议使用,支持R/G/B 整组信号互换,支持组内信号高位到低位排序互换。 
- 配置1:RGB666建议使用,支持R/G/B 整组信号互换。 
- 配置2:RGB666,支持R/G/B 整组信号互换。 
- 配置3:RGB565建议使用,支持R/G/B 整组信号互换。 
- 配置4:RGB565,支持R/G/B 整组信号互换。 
 
注意
- 只有RGB888支持组内信号高位到低位排序互换,需软件配置data-mirror。 
- 默认配置为RGB,为方便Layout,可将R和B整组互换,需软件配置将data-order修改为BGR。 
- RGB888接口高位可用于RGB666或565,CPU端相应的低位不接或可用于其他功能。 
 
图 2.11 RGB 不同配置定义图¶
 
图 2.12 RGB565 / RGB666 电路原理图¶
 
图 2.13 RGB888 电路原理图¶
2.4.2. LVDS¶
- LVDS支持 Single-Link和 Dual-Link两种接法,根据实际需要选择。 - 速率240Mbps~800Mbps。 
- 支持LVDS_0与LVDS_1互换。 
- 支持LVDS_0与LVDS_1双屏同显。 
- 支持LVDS_D0-LVDS_D3、LVDS_CK五组差分对信号任意互换,比如LVDS_D2与LVDS_CK互换。 
- 支持LVDS信号极性选择模式,即差分对信号正负极性互换。 
 
注意
- LVDS信号是高速差分信号,差分对约束不大于10mil,差分对100欧姆阻抗控制,整组信号等长约束不大于10mil。 
- 为方便Layout,支持差分对任意互换,极性反转,软件配置上需注意修改。 
 
图 2.14 LVDS Single-Link 电路原理图¶
 
图 2.15 LVDS Dual-Link 电路原理图¶
2.4.3. MIPI-DSI¶
- MIPI DSI是应用于显示的串行接口,实现将DE送过来的并行图像数据高性能转化串行输出。 - 可配置为1/2/3/4对数据通道。 
- 支持高速模式和低速模式。 
- 每对数据通道都支持高速单向通信。 
- 数据通道0可选支持低速模式下双向通信,即可读取屏的寄存器。 
 
注意
- MIPI CLK必须接屏幕的CLK引脚。只支持 D0~D3 差分对信号任意互换。 
- 支持信号极性选择模式,即所有差分对信号支持正负极性反转。 
- MIPI信号是高速差分信号,差分对约束不大于10mil,差分对100欧姆阻抗控制,整组信号等长约束不大于10mil。 
 
图 2.16 MIPI-DSI 电路原理图¶
2.4.4. MCU屏接口¶
- MCU屏接口包含常见的I8080、SPI、QSPI。 
 
图 2.17 I8080 不同配置定义¶
注意
- 注意SPI屏通信接口交叉,PD21/SDO为输出,需接屏端SDI输入;PD20/SDI为输入,需接屏端SDO输出。 
 
图 2.18 SPI/QSPI屏连接定义¶
2.4.5. TP¶
- 集成 RTP 电阻触摸屏接口,可支持RTP电阻屏触摸。 - RTP 仅支持4线,即X+/X-/Y+/Y-。 
- RTP 支持最多2点触摸。 
 
 
图 2.19 RTP 电阻屏触摸电路原理图¶
- 使用I2C和GPIO,可支持CTP电容屏触摸。 
 
图 2.20 CTP 电容屏触摸电路原理图¶
2.4.6. PWM¶
- 支持PWM0~PWM3共4组PWM波形发生器 - PWMx_A和PWMx_B同属一组PWM,可配置成单独输出或同时输出,但频率相同,占空比可不相同。 
- PWM通常用于背光控制,频率一般为20kHz~1MHz。 
- PWM通常用于蜂鸣器,频率一般为3kHz~4kHz。 
 
注意
- PWMx_A和PWMx_B可分开独立控制,但频率是相同的,占空比可独立调。 
- 不同频率的应用不能使用同一组PWM,比如蜂鸣器和背光,需分开使用不同通道。 
 
图 2.21 LCD 背光和偏压电路原理图¶
 
图 2.22 蜂鸣器电路原理图¶
2.4.7. DVP¶
- 支持 DVP 8位并行接口,最大支持500万像素拍照,最大支持1920x1080@30fps 录像,支持YUV422、BT.656格式。 
 
图 2.23 DVP CAMERA 原理图¶
2.4.8. AUDIO¶
- AMIC,支持一路模拟音频输入。 
 
图 2.24 AMIC 电路原理图¶
- DMIC,支持数字立体声音频输入。 
 
图 2.25 DMIC 电路原理图¶
- Speaker - 支持2路单端输出(双喇叭,左右声道输出)。 
- 支持1路差分输出(单喇叭,单声道输出)。 
- 支持DSPK0和DSPK1内部混音后,再通过任意单一通路输出。 
 
注意
- DSPK是数字信号,从CPU出来必需接RC(R=100R,C=470nF)转换成模拟信号才能给到音频功放。 
- DSPK信号容易受到VCC33_IO电源干扰,需使用干净电源比如LDO_3V0 (VCC30_ANA) 给单与门供电切换电源轨进行隔离。 
 
图 2.26 Speaker 差分输出电路原理图¶
 
图 2.27 Speaker 单端输出电路原理图¶
- I2S - I2S接口为数字音频接口,用于连接外部音频设备,实现音频数据的传输。 
 
 
图 2.28 I2S 扩展麦克风电路原理图¶
2.5. 通用接口¶
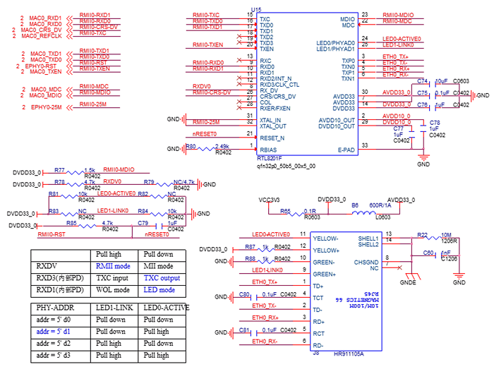
2.5.1. ETHERNET¶
- RMII 内部参考时钟(外部PHY_TXC为Input情况) - MAC_REFCLK 时钟不使能,内部选通PLL_EMAC_50M作为RMII 50MHz参考时钟源 
- MAC_TXC 输出时钟,提供给外部PHY使用 
- MAC_TXC 输出时钟接外部PHY_TXC Input 
 
- RMII 外部参考时钟(外部PHY_TXC为Output情况或晶振提供50MHz) - MAC_REFCLK 时钟使能,并且选通作为RMII 50MHz参考时钟源 
- MAC_TXC不使能,无需提供外部PHY时钟信号 
- MAC_REFCLK 输入时钟接外部PHY_TXC Output 
 
注意
- 使用PHY_TXC提供参考时钟时,MAC_TXC可不使用,对应引脚可用于其他功能。 
- 使用MAC_TXC提供参考时钟时,MAC_REFCLK可不使用,对应引脚可用于其他功能。 
| MAC端信号 | RMII接口 | 类型 | 描述 | PHY端信号 | 
|---|---|---|---|---|
| MAC_RXD1 | RMII_RXD1 | I | 数据接收信号线1 | PHY_RXD1 | 
| MAC_RXD0 | RMII_RXD0 | I | 数据接收信号线0 | PHY_RXD0 | 
| MAC_CRS_DV | RMII_CRS_DV | I | 数据接收有效 | PHY_CRS_DV | 
| MAC_REFCLK | RMII_REF_CLK | I | 参考时钟 | PHY_TXC(Output) | 
| MAC_TXD1 | RMII_TXD1 | O | 数据发送信号线1 | PHY_TXD1 | 
| MAC_TXD0 | RMII_TXD0 | O | 数据发送信号线0 | PHY_TXD0 | 
| MAC_TXC | RMII_TXC | O | 数据发送时钟 | PHY_TXC(Input) | 
| MAC_TXEN | RMII_TXEN | O | 数据发送使能 | PHY_TXEN | 
| MAC_MDC | RMII_MDC | I/O | 串行管理接口时钟 | PHY_MDC | 
| MAC_MDIO | RMII_MDIO | I/O | 串行管理接口数据 | PHY_MDIO | 
| CLK_OUT | CLK_OUT | O | 25MHz时钟 | PHY_XTAL2 | 
 
图 2.29 RTL8201 三种接法框图¶
 
图 2.30 IP101G 三种接法框图¶
 
图 2.31 RTL8201 RMII 电路原理图¶
- 防护设计 - 可用 TVS 阵列来保护 TXP、TXN、RXP 和 RXN 信号。 
- 可用铁氧体磁珠和隔离变压器来分别隔离电源和信号线上的高频噪声。 
- 可用 RC 或铁氧体磁珠隔离网络接口屏蔽层和信号地,以提高 ESD 性能。 
 
2.5.2. SPI¶
- SPI0/1/2/3为标准SPI控制器,用于存储设备或其他SPI接口设备的访问。 - 所有SPI接口只支持Master,不支持Slave。 
- SPI0/1 支持 单/双/四线模式。 
- SPI2/3 支持 单线模式。 
 
2.5.3. UART¶
- UART兼容工业16550标准,支持常用波特率,最大波特率支持5Mbps。 - 支持UART 两线(TX、RX),通常应用于TTL、RS485、RS232、DEBUG打印。 
- 支持UART 三线(TX、RX、RTS),通常应用于RS485、某些模块比如RTL8723DS其蓝牙只需UART三线。 
- 支持UART 四线自动流控(TX、RX、RTS、CTS),通常应用于RS232、蓝牙通信。 
 
 
图 2.32 调试串口电路原理图¶
 
图 2.33 RS232串口电路原理图¶
- RS485支持硬件自动控制收发方向,也支持软件控制收发方向 - 在IO资源紧张时,建议采用两线接法,通过UART_TX引脚进行半双工收发,UART_RX引脚进行自动方向控制。 
- 需要做光耦隔离时,可采用常规三线接法,UART_RTS引脚进行自动方向控制。 
 
注意
- 使用两线接法时,TX引脚既当发送又当接收;RX引脚用于自动控制收发方向。 
- 使用三线接法时,建议使用UART_RTS接485-DIR,方便使用硬件自动控制收发功能。 
 
图 2.34 RS485 两线接法电路原理图¶
 
图 2.35 RS485 三线接法电路原理图¶
2.5.5. CAN¶
- 支持CAN0和CAN1两套控制器 - 支持CAN2.0A和CAN2.0B协议,可编程通信速率最高1Mbps。 
- 外围电路需接收发器,才能组成CAN总线网络。 
 
 
图 2.37 CAN 电路原理图¶
2.5.7. USB¶
- USB0 可支持 Device 或 Host,烧录程序只能使用USB0。 - USB 插座ID脚用于检测外部设备类型。当ID脚为低则工作在Host模式,当ID脚为高则工作在Device模式。 
- USB ID信号建议串联电阻,避免插入设备时产生信号下冲,同时提升GPIO口ESD性能。 
- USB DP、DM信号为高速差分信号线,差分走线阻抗控制90 ohm,TVS管寄生电容建议小于1pF。 
- USB 插座VBUS建议不要与板卡5V直连,中间串入二极管,避免VCC_5V和VBUS同时供电时影响。 
- USB 电源建议增加限流开关,避免插入HOST设备瞬态电流过大。 
 
注意
- USB_ID可连接到任意GPIO,可用于检测设备类型切换Device 或 Host。 
- 可通过软件指令动态切换 Device 或 Host。 
 
图 2.39 USB0 OTG电路原理图¶
 
图 2.40 USB0 HOST电路原理图¶
- USB1 可支持 Host。 
 
图 2.41 USB1 电路原理图¶
 
图 2.42 USB1 HUB电路原理图¶
- 防护设计 - 可用 TVS 阵列来保护 VBUS、D+、D-和 ID 信号。 
- 可在 USB 差分信号上串联共模扼流圈,改善 EMI 性能。 
- 可在 VBUS、GND 上串联铁氧体磁珠,隔离高频噪声。 
- 可用 RC 电路或铁氧体磁珠隔离 USB 外壳和信号地,提高 ESD 性能。 
 
 
 
 
 
 
